欢迎访问 中国焙烤食品糖制品工业协会! 咨询电话:010-65060065
|
English
首页
协会简介
关于协会
协会章程
入会申请
分支机构
公告
联系我们
理事会成员
协会动态
党建工作
行业资讯
法规标准
政策法规
相关标准
抽检信息
行业会展
协会会展
相关会展
协会刊物
中国焙烤
中国甜食工业
协会通讯
技术交流
技术资讯
焙烤课堂
公告
协会刊物
1
2
3
当前位置:
首页
>
法规标准
>
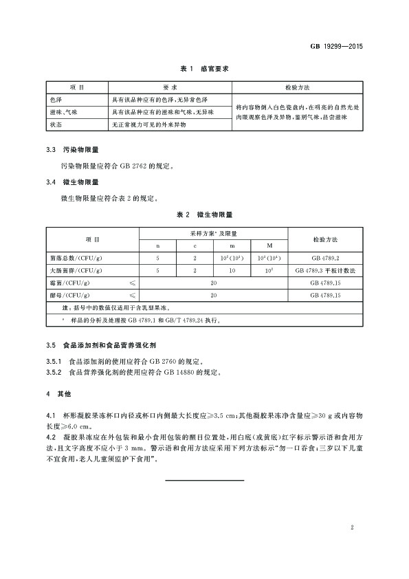
国家卫生计生委发布《食品安全国家标准 果冻》(GB 19299-2015)
发布来源: 作者: 发布时间: 2016-01-13 00:00:00
下一篇:
返回列表
返回列表 >>
上一篇
下一篇
中国焙烤食品糖制品工业协会
中国焙烤糖制品协会冷冻食品 专委会
中国国际焙烤展览会 BakeryChina
中国焙烤杂志
中国甜食工业